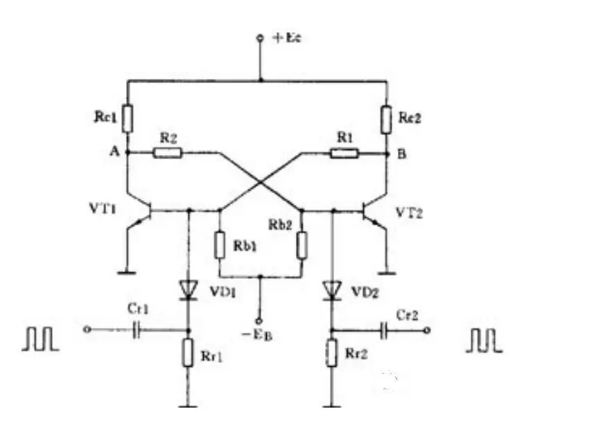
下图是用分立元件组成的集基耦合双稳电路。它由一对用电阻交叉耦合的 反相器组成。它的两个管子总是一管截止一管饱和,例如当 VT1 管饱和时 VT2 管就截止,这时 A 点是低电平 B 点是高电平。如果没有外来的触发信号,它就 保持这种状态不变。如把高电平表示数字信号“ 1 ”,低电平表示“ 0 ”,那 么这时就可以认为双稳电路已经把数字信号“ 1 ”寄存在 B 端了。

电路的基极分别加有微分电路。如果在 VT1 基极加上一个负脉冲,就会使 VT1 基极电位下降,由于正反馈的作用,使 VT1 很快从饱和 转入截止, VT2 从截止转入饱和。于是双稳电路翻转成 A 端为“ 1 ”, B 端 为“ 0 ”,并一直保持下去。
触发脉冲的触发方式和极性 双稳电路的触发电路形式和触发脉冲极性选择比较复杂。从触发方式看,因 为有直流触发和交流触发的分别,所以触发电路形式 各有不 同。从脉冲极性看,也是随着晶体管极性、触发脉冲加在哪个管子上、哪个极上而变化的。在实际应用中, 因为微分电路 能容易地得到尖脉冲,触发效果较好,所以都用交流触发方式。 触发脉冲所加的位置多数是加在饱和管的基极上。所以使用 NPN 管的双稳电路 所加的是负脉冲,而 PNP 管双稳电路所加的是正脉冲。

集成触发器除了用分立元件外,也可以用集成门电路组成双稳电路。如 R—S 触发器、 D 触发器、 J - K 触发器等等,所以一般不使用门电路搭成的双稳电路而直接 选用现成产品。 有延时功能的单稳电路 无稳电路有 2 个暂稳态而没有稳态,双稳电路则有 2 个稳态而没有暂稳 态。
脉冲电路中常用的第 3 种电路叫单稳电路,它有一个稳态和一个暂稳态。 如果也用门来作比喻,单稳电路可以看成是一扇弹簧门,平时它总是关着的, “关”是它的稳态。当有人推它或拉 它时门就打开,但由于弹力作用,门很快 又自动关上,恢复到原来的状态。所以“开”是它的暂稳态。单稳电路常被用作 定时、延时控制以及整形等。
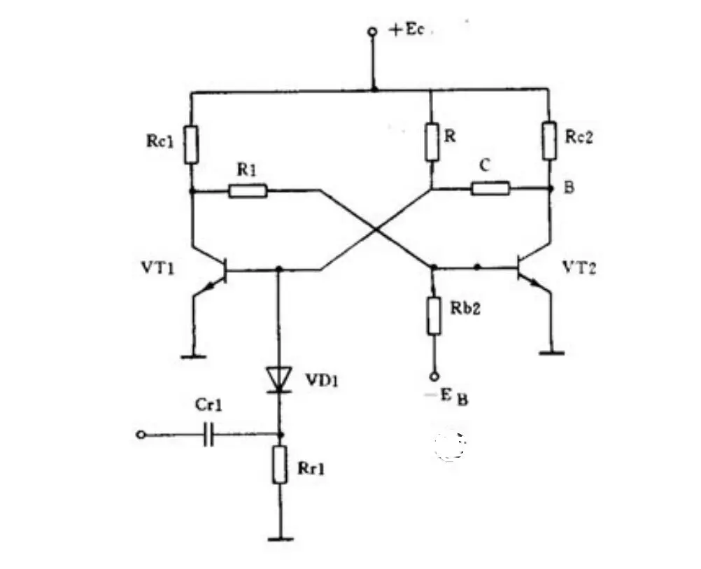
集基耦合单稳电路下 图 是一个典型的集基耦合单稳电路。它也是由两级反相器交叉耦合而成 的正反馈电路。它的一半和多谐振荡器相似,另一半和双稳电路相似,再加它也 有一个微分触发 电路,所以可以想象出它是半个无稳电路和半个双稳电路凑合 成的,它应该有一个稳态和一个暂稳态。平时它总是一管饱和,另一 管截止,这就是它的稳态。当输入一个触发脉冲后,电路便翻转到另 一种状态,但这种状态只能维持不长的时间,很快它又恢复到原来的状态。电路 暂稳态的时间是 由延时元件 R 和 C 的数值决定的:

集成化单稳电路 用集成门电路也可组成单稳电路。下图 是微分型单稳电路,它用 2 个与 非门交叉连接,门 1 输出到门 2 是用微分电路耦合,门 2 输出到门 1 是直接 耦合,触发脉冲加到门 1 的另一个输入端 U I 。

脉冲电路的读图要点
① 脉冲电路的特点是工作在开关状态,它的输入输出都是脉冲,因此分析 时要抓住关键,把主次电路区分开,先认定主电路的功能,再分析辅助电路的作 用。
② 从电路结构上抓关键找异同。前面介绍了集基耦合方式的三种基本单元 电路,它们都由双管反相器构成正反馈电路,这是它们的相同点。但细分析起来 它们还是各有 特点的:无稳和双稳电路虽然都有对称形式,但无稳电路是用电 容耦合,双稳是用电阻直接耦合;而 且双稳电路一般都有 触发电路;单稳电路就很好认,它是 不对称的,兼有双稳和单稳的形式。这样一分析,三种电路就很好区别了。
③ 脉 冲电路中,脉冲的生成、变换和整形都和电容器的充、放电有关,电路的时间常 数即 R 和 C 的数值对确定电路的性质有极重要的意义,这一点尤为重要.

数字逻辑电路的用途和特点
数字电子电路中的后起之秀是数字逻辑电路。把它叫做数字电路是因为电路 中传递的虽然也是脉冲,但这些脉冲是用来表示二进制数码的,例如用高电平表 示“ 1 ”,低电平表示“ 0 ”。声音图像文字等信息经过数字化处理后变成了 一串串电脉冲,它们被称为数字信号。
能处理数字信号的电路就称为数字电路。 这种电路同时又被叫做逻辑电路,那是因为电路中的“ 1 ”和“ 0 ”还具 有逻辑意义,例如逻辑“ 1 ”和逻辑“ 0 ”可以分别表示电路的接通和断开、 事件的是和否、逻辑推理的真和假等等。电路的输出和输入之间是一种逻辑关系。 这种电路除了能进行二进制算术运算外还能完 成逻辑运算和具有逻辑推理能 力,所以才把它叫做逻辑电路。
由于数字逻辑电路有易于集成、传输质量高、有运算和逻辑推理能力等优点, 数字逻辑电路的第一个特点是为了突出“逻辑”两个字,使用的是独特的图 形符号。数字逻辑电路中有门电路和触发器两种基本单元电路,它们都是以晶体 管和电阻等 元件组成的,但在逻辑电路中我们只用几个简化了的图形符号去表 示它们,而不画出它们的具体电路,也不管它们使用多高电压,是 TTL 电路还 是 CMOS 电路等等。

按逻辑功能要求把这些图形符号组合起来画成的图就是逻辑 电路图,它完全不同于一般的放大振荡或脉冲电路图。 数字电路中有关信息是包含在 0 和 1 的数字组合内的,所以只要电路能明 显地区分开 0 和 1 , 0 和 1 的组合关系没有破坏就行,脉冲波形的好坏我们 是不大理会的。
所以数字逻辑电路的第二个特点是我们主要关心它能完成什么样 的逻辑功能,较少考虑它的电气参数 性能等问题。也因为这个原因,数字逻辑 电路中使用了一些特殊的表达方法如真值表、特征方程等,还使用一些特殊的分 析工具如逻辑代数、卡诺图等等,这些也都 与放大振荡电路不同。